新闻中心 - C2000变频器在恒压供水控制的应用 - 台达

2011/7/26

C2000变频器在恒压供水控制的应用

摘 要:本文主要讲述应用台达C2000变频器在工厂自动化控制中智能恒压供水系统的应用,介绍恒压供水控制系统配置和控制工艺,以及台达C2000变频器的应用技术。

在传统的区域供水系统中,用户对供水压力的要求都是经由市政供水管网经过二次加压或高位水塔储水池来满足的。
日常供水控制通常采用水泵恒速运行加调整出口阀开度的方式调节供水的水量水压,这种供水的方式会使大量能量消耗在出口阀门,造成能源浪费;而且储水池也会有二次污染的问题。采用变频器作恒压供水恰好可以克服这些问题。
台达新近推出的C2000变频器应用在新塘牛仔城一家做7.5kW水泵的恒压供水改造的牛仔布漂染厂中,很好的满足了该应用场合的适用特性。

恒压供水控制原理

水泵变频恒压供水方式基于PID控制原理,维持管路供水压力的恒定。当用户用水量加大时,管路压力减小,变频器转速要提高以增加流量补充压力;反之,用户用水量减小时,管路压力增大,变频器转速要降低,使流量适当降低以使压力恒定。这样就可以使用户得到稳定的供水压力。

如图1所示,PA~PB是超高压区,即使变频器停止运转水泵电机也无法降低的供水压力的区间,这种情况是自来水供水压力严重偏高造成的,但发生几率比较小,或因为用户用水量极少甚至没有时发生,此时就需要变频器停止水泵电机运转;PB~PC是变频器恒压供水压力区。PD~0区间是低压区,即使变频器控制水泵电机运转到最大速度也无法提高供水压力的区间,这种情况可能是市政供水系统发生问题(例如供水管道破裂等),或客户端用水量过大造成,需要考虑更换供水设备或调整用水量。

PID回路控制原理 如图2所示,KP 比例增益(P 控制),Ti 积分时间(I 控制),Td 微分时间(D 控制),S 演算。

1.比例(P)控制
比例P 控制的输出与输入误差信号成比例关系,当仅有比例控制时系统输出存在稳态误差。

2.积分(I)控制
在积分控制中,控制器的输出与输入误差信号的积分成正比关系。对一个自动控制系统,如果在进入稳态后存在稳态误差,则称这个控制系统是有稳态误差的或称之为有差系统。为了消除稳态误差,在控制器中必须加入“积分项”。积分项对误差取决于时间的积分,随着时间的增加,积分项会增大。如此一来,即使误差很小,积分项也会随着时间的增加而加大,它推动控制器的输出增大使稳态误差进一步减小,直到等于零。因此,比例(P)+积分(I)控制器,可以使系统在进入稳态后无稳态误差。

3.微分(D)控制
在微分控制中,控制器的输出与输入误差信号的微分(即误差的变化率)成正比关系。自动控制系统在克服误差的调节过程中可能会出现振荡甚至失稳。具有抑制误差的作用,使抑制误差作用的变化“超前”,即在误差接近零时,抑制误差的作用就应该是零。比例(P)+微分(D)控制器能改善系统在调节过程中的动态特性。

控制工艺要求
(1) 设备要求能够设定系统给定压力值(5~6kg),即PID控制的目标值;
(2) 压力传感器将实时采取數据作为PID控制的检出值;
(3) PID 控制的目标值与压力传感器检出值大小比较后产生误差量,将PID 控制的运算结果输出给控制供水泵电机的变频器;
(4) 控制变频器拖动供水泵输出不同转速,达到调节供水恒压的控制效果;
(5) 提供比例增益P、积分时间I、微分时间D参数的微调窗口;
(6) 两台水泵实现24h轮换使用控制;
(7) 单台泵供水压力不够时,实现当前供水泵工频切换,和变频启动第2台供水泵。

方案选型

1.变频器:VFD075C43A;
2、压力传感器:量程0~16kg/输出4~20mA。

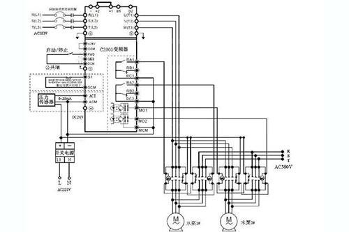
电气原理图 见图3

程序编辑 见图4
参数调整
00-04=10(多功能显示:显示PID 回授值%(b))
00-20=0(面板设定目标值)
00-21=1(外部控制启停)
02-01=51(MI1功能=PLC 模式切换的选择bit 0)
03-01=5(ACI为PID回授)
08-00=1(PID负回授)
00-25=32H,(显示单位:kg;2位小数)
00-26=16.00;(最大量程16.00kg)


应用效果

C2000的功能还比较强,调整参数后,基本能够稳定控制供水压力5±0.1kg以内,满足客户要求。
通过这个项目测试了C2000在这恒压供水的行业应用可行性,以及可靠性,至目前为止客户反映使用正常。若增加F系列的变频器专门的水泵控制参数,估计会更好应用,直接定义参数就可以实现多泵切换,和定时切换。

新闻来源:中达电通股份有限公司